XNL-800×※-C/Y回油過濾器主要安裝在液壓系統的回油管路上,液壓元件在工作過程中所產生的磨粒等各種污物可以通過設置回油管路油濾而被攔,避免再次回到油箱、再次被液壓泵吸入.回油管路油濾的許可壓差,根據不同壓力級別,范圍在0.3~0.5MPa。精度根據油液污染度要求具體確定。
XNL-800×※-C/Y回油過濾器的設置要考慮的因素要更多些,其中一個因素是液壓沖擊,尤其是上游有液壓缸和比例閥的情況下,在高壓下液壓缸的換向和比例閥的突然掉電,都會產生很大的瞬間流量沖擊,對油濾的濾芯會造成很大的傷害,在設計選用回油管路油濾時要有充分的認識,在結構上予以加強。
XNL-800×※-C/Y回油過濾器應用范圍
1、冶金:用于軋鋼機、連鑄機液壓系統的過濾及潤滑設備的過濾。
2、石化:煉油、化工生產過程中的產品及中間產品的分離及回收,油田注井水及天然氣除顆粒過濾。
3、紡織:聚脂熔體在拉絲過程中的凈化及均勻過濾,空壓機的保護過濾,壓縮氣體的除油除水。
4、電子及制藥:反滲透水、去離子水的予處理過濾,洗凈液及葡萄糖的前處理過濾。
5、火電及核電:氣輪機、鍋爐的潤滑系統、速度控制系統、旁路控制系統油的凈化,給水泵、風機及除塵系統的凈化。
6、機械加工設備:造紙機械、礦業機械、注塑機及大型機械的潤滑系統和壓縮空氣的凈化,煙草加工設備及噴涂設備的過濾。
XNL-800×※-C/Y回油過濾器工作方式
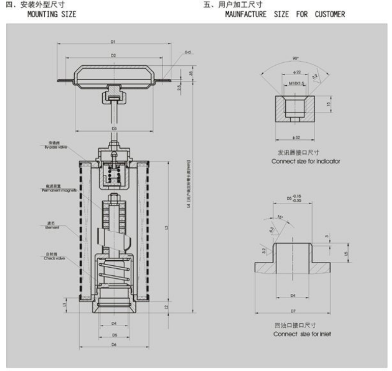
XNL-800×※-C/Y回油過濾器分化纖式,紙質式、網式和線隙式四種。回油過濾器裝有壓差發訊裝置,當濾芯因污染堵塞致使進出油口壓差達0.35MPa時,便發出開關信號,此時應清洗或更換濾芯。該過濾器濾芯采用化纖過濾材質,具有過濾精度高、通油能力大、原始壓力損失少、納污量大等優點,過濾比p3、5、10、20>100,過濾效率n≥99%,符合ISO標準。
XNL-800×※-C/Y回油過濾器安裝注意問題
1.液壓系統工作壓力:p MPa(1MPa=10Kgf/cm2?)
2.液壓系統工作流量:Q L/min , M3 / H
3.液壓管路工作流量:Q L/min
4.選用介質的牌號: 為了考慮相容性,(用PH試紙檢查介質酸堿度)

XNL回油過濾器型號大全
XNL-25×※-C/Y回油過濾器
XNL-40×※-C/Y
XNL-63×※-C/Y
XNL-100×※-C/Y
XNL-160×※-C/Y
XNL-250×※-C/Y
XNL-400×※-C/Y
XNL-630×※-C/Y
XNL-800×※-C/Y
XNL-1000×※-C/Y
如需定制過濾器請聯系新鄉市創藍過濾技術有限公司
聯系人:王經理
手 機:1567056000113183108783
郵 箱:sales@cl-filter.com
公 司:新鄉市創藍過濾技術有限公司
地 址:河南省新鄉市創業路1號高新技術產業園